Product Summary
The BD8156EFV is a main power supply for TFT-LCD display module.
Parametrics
BD8156EFV absolute maximum ratings: (1)supply voltage, SUP, VIN: 20V; (2)power dissipation, Pd: 1450mW; (3)operating temperature range, Topr: -40 to 85℃; (4)storage temperature range, Tstg: -55 to 150℃; (5)junction temperature, Tjmax: 150℃; (6)SW voltage, VSW: 21V; (7)SWB voltage, VSWB: 19V; (8)EN1, EN2, FREQ voltage: VBN1, VBN2, VFREQ: 19V.
Features
BD8156EFV features: (1)boost and buck DC/DC converter; (2)built-in +/- charge pump driver.
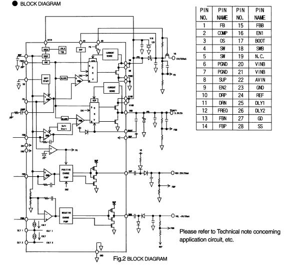
Diagrams

| Image | Part No | Mfg | Description | ![]() |
Pricing (USD) |
Quantity | ||||||
|---|---|---|---|---|---|---|---|---|---|---|---|---|
![]() |
![]() BD8156EFV |
![]() Other |
![]() |
![]() Data Sheet |
![]() Negotiable |
|
||||||
![]() |
![]() BD8156EFV-E2 |
![]() |
![]() IC 12V INPUT MULTI-CHANNEL |
![]() Data Sheet |
![]()
|
|
||||||
(China (Mainland))









