Product Summary
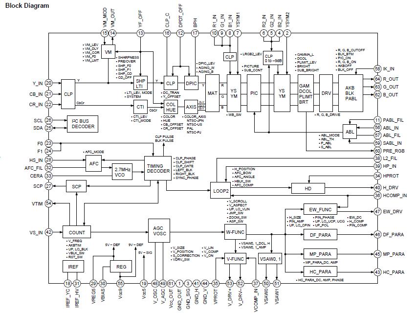
The CXA21650 is a bipolar IC which integrates base-band Y/C signal processing, RGB signal processing, horizontal sync signal processing that supports 15.7/31.5/33.75/37.9/45kHz, and a vertical deflection circuit that supports 50/60/100/120Hz into a single chip. The CXA21650 has been developed for DTV, and realizes the configuration of a high-end TV system that supports 960i, 1080i, 720p, etc. in addition to 480i. The applications of the CXA21650 include Color TVs (4:3, 16:9).
Parametrics
CXA21650 absolute maximum ratings: (1)Supply voltage, VCC: -0.3 to +10 V; (2)Operating temperature, Topr: -20 to +75℃; (3)Storage temperature, Tstg: -65 to +150℃; (4)Allowable power dissipation, PD: 1.7 W (when mounted on a 50mm × 50mm board); (5)Voltages at each pin: -0.3 to VCC9, VCC_OUT + 0.3 V.
Features
CXA21650 features: (1)I2C bus supported; (2)YCbCr input offset adjustment circuit; (3)LTI and CTI circuits; (4)Sharpness f0 switching circuit that supports band width of various input sources; (5)Color (Cr signal) dependent sharpness circuit; (6)Coring circuit for VM signal; (7)AKB system; (8)Various ABL functions; (9)Two sets of analog RGB inputs; (10)Horizontal sync processing that supports 15.7/31.5/33.75/37.9/45kHz; (11)Vertical deflection circuit that supports 50/60/100/120Hz; (12)Quick responsed VAGC when switching channels etc.; (13)Deflection compensation circuit capable of supporting various wide modes; (14)For flat-TV suitable various VSAW waveform and parabola output.
Diagrams

![]() |
![]() CXA20 |
![]() Other |
![]() |
![]() Data Sheet |
![]() Negotiable |
|
||||||||||||
![]() |
![]() CXA2000Q |
![]() Other |
![]() |
![]() Data Sheet |
![]() Negotiable |
|
||||||||||||
![]() |
![]() CXA2002R |
![]() Other |
![]() |
![]() Data Sheet |
![]() Negotiable |
|
||||||||||||
![]() |
![]() CXA2006Q |
![]() Other |
![]() |
![]() Data Sheet |
![]() Negotiable |
|
||||||||||||
![]() |
![]() CXA2011-0000-000P00F00E8 |
![]() Cree, Inc. |
![]() High Power LEDs - White White 680lm XLamp CXA LED |
![]() Data Sheet |
![]()
|
|
||||||||||||
![]() |
![]() CXA2011-0000-000P00F027F |
![]() Cree, Inc. |
![]() High Power LEDs - White White 680lm XLamp CXA LED |
![]() Data Sheet |
![]()
|
|
||||||||||||
(China (Mainland))









