Product Summary
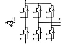
The SKIIP28AC065V1 is a 3-phase bridge inverter. The applications of it include: inverter up to 22KVA, typical motor power 11KW.
Parametrics
SKIIP28AC065V1 absolute maxing ratings: (1)VCES: 600V; (2)IC: 94(70)A; (3)ICRM: 200A; (4)VGES: ±20V; (5)Tj: -40 to +150℃; (6)IF: 96(71)A; (7)IFRM: 200A; (8)Tj: -40 to +150℃; (9)ItRMS per power terminal(20A/spring): 100A; (10)Tstg Top≤Tstg: -40 to +150℃; (11)Visol AC 1min: 2500V.
Features
SKIIP28AC065V1 features: (1)Ultrafast NPT IGBTs; (2)Robust and soft freewheeling diodes in CAL technology; (3)Highly reliable spring contacts for electrical connections; (4)UL recognised file no. E63532.
Diagrams

![]() |
![]() SKiiP 01AC066V1 |
![]() Other |
![]() |
![]() Data Sheet |
![]() Negotiable |
|
||||
![]() |
![]() SKiiP 01NAC066V1 |
![]() Other |
![]() |
![]() Data Sheet |
![]() Negotiable |
|
||||
![]() |
![]() SKIIP13NEL063I |
![]() Other |
![]() |
![]() Data Sheet |
![]() Negotiable |
|
||||
![]() |
![]() SKIIP30NAB06 |
![]() Other |
![]() |
![]() Data Sheet |
![]() Negotiable |
|
||||
![]() |
![]() SKIIP30NAB12T10 |
![]() Other |
![]() |
![]() Data Sheet |
![]() Negotiable |
|
||||
![]() |
![]() SKIIP312GD120-302WT |
![]() Other |
![]() |
![]() Data Sheet |
![]() Negotiable |
|
||||
(China (Mainland))








