Product Summary
The MIG75Q7CSAOX is a Silicon N channel IGBT Module. The applications of it are high power switching applications and motor control applications.
Parametrics
MIG75Q7CSAOX absolute maximum ratings: (1)Inverter supply voltage:900V; (2)Inverter collector-emitter voltage:1200V; (3)Inverter collector current:75A; (4)Inverter forward current:75A; (5)Inverter collector power dissipation:500W; (6)Inverter junction temperature:150℃; (7)Brake supply voltage:900V; (8)Brake collector-emitter voltage:1200V; (9)Brake collector current:40A; (10)Brake reverse voltage:1200V; (11)Brake forward current:40A; (12)Brake collector power dissipation:200W; (13)Brake junction temperature:150℃; (14)Control supply voltage:20V; (15)Input voltage:20V; (16)Fault output voltage:20V; (17)Fault output current:14mA; (18)operating temperature:-20℃ to +100℃; (19)storage temperature range:-40℃ to +125℃.
Features
MIG75Q7CSAOX features: (1)integrates inverter, brake power circuits & control circuits(IGBT drive unit, protection units for short-current, over-current, under-voltage& over temperature) in one package; (2)the electrodes are isolated from case; (3)VCE(sat)=2.2V(typ).
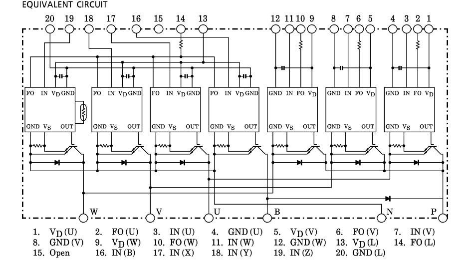
Diagrams

(China (Mainland))






