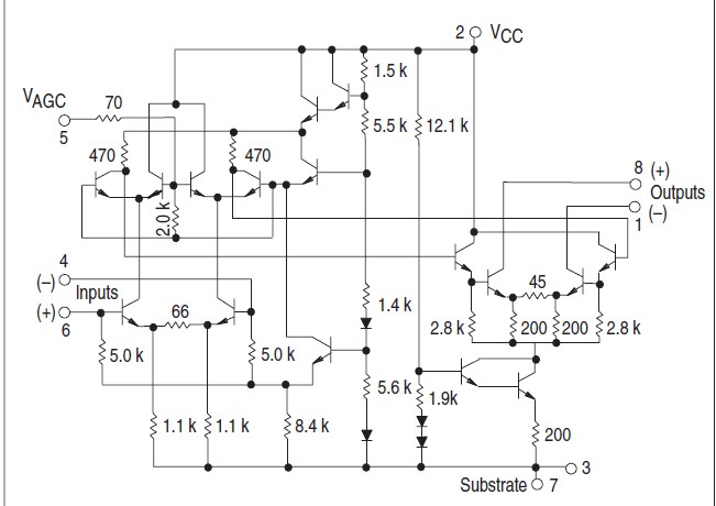
Product Summary
The ML1490PP is an integrated circuit featuring wide–range AGC for use in RF/IF amplifiers and audio amplifiers.
Parametrics
ML1490PP absolute maximum ratings: (1)Power Supply Voltage: +18 Vdc; (2)AGC Supply: VCC Vdc; (3)Input Differential Voltage: 5.0 Vdc; (4)Operating Temperature Range: –40 to +85 °C; (5)Storage Temperature Range: –65 to +150 °C; (6)Junction Temperature: +150 °C.
Features
ML1490PP features: (1)High Power Gain: 50 dB Typ at 10 MHz; (2)Wide Range AGC: 60 dB Min, DC to 60 MHz; (3)6.0 V to 15 V Operation, Single Polarity Supply; (4)Operating Temperature Range TA = –40° to +85°C.
Diagrams

(China (Mainland))






