Product Summary
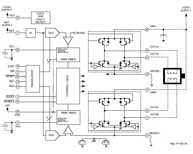
The A3967S is a complete microstepping motor driver with built-in translator. It is designed to operate bipolar stepper motors in full-, half-, quarter-, and eighth-step modes, with output drive capability of 30 V and ±750 mA. The A3967S includes a fixed off-time current regulator that has the ability to operate in slow, fast, or mixed current-decay modes. This current-decay control scheme results in reduced audible motor noise, increased step accuracy, and reduced power dissipation. The translator is the key to the easy implementation of the A3967S. By simply inputting one pulse on the STEP input the motor will take one step (full, half, quarter, or eighth depending on two logic inputs). There are no phase-sequence tables, high-frequency control lines, or complex interfaces to program. The A3967S interface is an ideal fit for applications where a complex μP is unavailable or over-burdened.
Parametrics
A3967S absolute maximum ratings: (1)Load Supply Voltage, VBB: 30 V; (2)Output Current, IOUT, Continuous: ±750 mA; Peak: ±850 mA; (3)Logic Supply Voltage, VCC: 7.0 V; (4)Logic Input Voltage Range, VIN (tw >30 ns): -0.3 V to +7.0 V; (tw <30 ns): -1 V to +7.0 V; (5)Sense Voltage, VSENSE: 0.68 V; (6)Reference Voltage, VREF: VCC; (7)Package Power Dissipation, PD: See page 8; (8)Operating Temperature Range, TA: -20℃ to +85℃; (9)Junction Temperature, TJ: +150℃; (10)Storage Temperature Range, TS: -55℃ to +150℃.
Features
A3967S features: (1)±750 mA, 30 V Output Rating; (2)Satlington. Sink Drivers; (3)Automatic Current-Decay Mode Detection/Selection; (4)3.0 V to 5.5 V Logic Supply Voltage Range; (5)Mixed, Fast, and Slow Current-Decay Modes; (6)Internal UVLO and Thermal Shutdown Circuitry; (7)Crossover-Current Protection.
Diagrams

| Image | Part No | Mfg | Description | ![]() |
Pricing (USD) |
Quantity | ||||||||||||||||||
|---|---|---|---|---|---|---|---|---|---|---|---|---|---|---|---|---|---|---|---|---|---|---|---|---|
![]() |
![]() A3967SLB |
![]() |
![]() IC MOTOR DRIVER PWM FULL 24SOIC |
![]() Data Sheet |
![]() Negotiable |
|
||||||||||||||||||
![]() |
![]() A3967SLB-T |
![]() |
![]() IC MOTOR DRIVER PWM FULL 24-SOIC |
![]() Data Sheet |
![]()
|
|
||||||||||||||||||
![]() |
![]() A3967SLBTR |
![]() |
![]() IC MOTOR DRIVER PWM FULL 24SOIC |
![]() Data Sheet |
![]() Negotiable |
|
||||||||||||||||||
![]() |
![]() A3967SLBTR-T |
![]() |
![]() IC MOTOR DRIVER PWM FULL 24SOIC |
![]() Data Sheet |
![]()
|
|
||||||||||||||||||
(China (Mainland))









