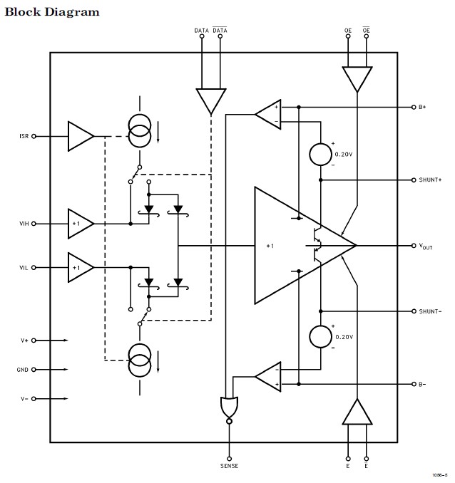
Product Summary
The EL1056CM is designed to drive high-quality test signals into close or terminated loads. It has a dispersion of 250 ps or less D whether due to signal size or direction of edge. It can output a very wide 24V output span, encompassing all logic families as well as analog levels. The EL1056CM is fabricated in Elantec oxide isolated process, which eliminates the possibility of latch-up and provides a very durable circuit. The output can be turned off in two ways; the OE pins allow the output to be put in a high-impedance state which makes the output look like a large resistance in parallel with 3 pF, even for back-driven signals with as much as 2.5V/ms slew rate. The E pins put the output in an even higher impedance state, guaranteed to 150 nA leakage in the EL1056CMA. This allows accurate measurements on the bus without disconnecting the EL1056CM with a relay.
Parametrics
EL1056CM absolute maximum ratings: (1)VS Voltage between Va and Vb: +33V; (2)Vb Supply Voltage: -18V; (3)Ba Supply Voltage: VINH to Va; (4)Bb Supply Voltage: V- to VINL; (5)ISR Input Current: 0 mA to 3 mA; (6)VSR Input Voltage, Power-Down Mode: -0.3V to +6V; (7)Shunta Input Voltage (Ba): -5V to B+; (8)Shuntb Input Voltage B- to (B-) +5V; (9)Data, Data Input Voltages V- to V+ or ±6V Differential; (10)OE, OE Input Voltages V- to V+ or ±6V Differential.
Features
EL1056CM features: (1)Wide g12V output levels; (2)250 ps dispersion; (3)3 ns delay times; (4)1V/ns slew rateDadjustable; (5)Low overshoot and aberrations in 50X systems; (6)3-state output; (7)Power-down mode reduces output leakage to nanoamperes; (8)Overcurrent sense flag available to protect internal output devices; (9)Buffered analog inputs; (10)Differential logic inputs are compatible with ECL, TTL, and CMOS.
Diagrams

![]() |
![]() EL100D10-12 |
![]() Crydom |
![]() Solid State Relays PM IP00 SSR 100VDC 10A10-14VDC |
![]() Data Sheet |
![]()
|
|
||||||||||||
![]() |
![]() EL100D10-24 |
![]() Crydom |
![]() Solid State Relays PM IP00 SSR 100VDC 10A21-27VDC |
![]() Data Sheet |
![]()
|
|
||||||||||||
![]() |
![]() EL100D5-05 |
![]() Crydom |
![]() Solid State Relays PM IP00 SSR 100VDC 5A4-8VDC |
![]() Data Sheet |
![]()
|
|
||||||||||||
![]() |
![]() EL100D5-12 |
![]() Crydom |
![]() Solid State Relays PM IP00 SSR 100VDC 5A10-14VDC |
![]() Data Sheet |
![]()
|
|
||||||||||||
![]() |
![]() EL1010(TA)-G |
![]() Everlight |
![]() Transistor Output Optocouplers Optocoupler |
![]() Data Sheet |
![]()
|
|
||||||||||||
![]() |
![]() EL1010(TA)-VG |
![]() Everlight |
![]() Transistor Output Optocouplers Optocoupler |
![]() Data Sheet |
![]()
|
|
||||||||||||
(China (Mainland))









