Product Summary
The MHW8182B is a 128-channel 860 MHz CATV amplifier.
Parametrics
MHW8182B absolute maximum ratings: (1)RF Voltage Input (Single Tone): +70 dBmV; (2)DC Supply Voltage: +28 Vdc; (3)Operating Case Temperature Range: –20 to +100 °C; (4)Storage Temperature Range: –40 to +100 °C.
Features
MHW8182B features: (1)Specified for 77 and 128–Channel Performance; (2)Broadband Power Gain f = 860 MHz Gp = 18.9 dB (Typ); (3)Broadband Noise Figure NF = 5.5 dB (Typ)860 MHz; (4)All Gold Metallization; (5)7 GHz fT Ion–Implanted Transistors; (6)Improved Ruggedness.
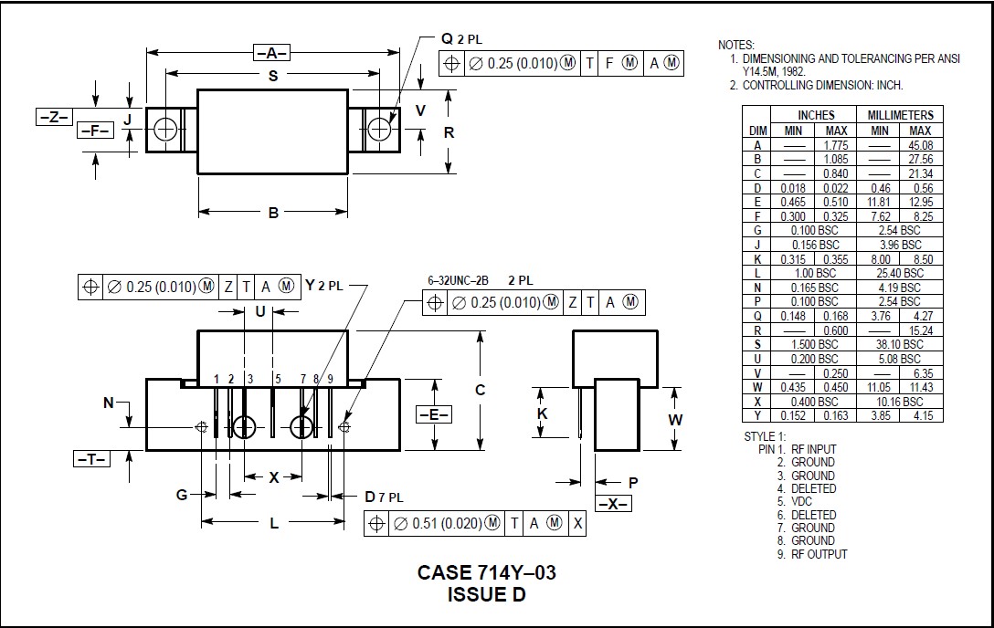
Diagrams

| Image | Part No | Mfg | Description | ![]() |
Pricing (USD) |
Quantity | ||||
|---|---|---|---|---|---|---|---|---|---|---|
![]() |
![]() MHW8182B |
![]() Other |
![]() |
![]() Data Sheet |
![]() Negotiable |
|
||||
| Image | Part No | Mfg | Description | ![]() |
Pricing (USD) |
Quantity | ||||
![]() |
![]() MHW804-2 |
![]() Other |
![]() |
![]() Data Sheet |
![]() Negotiable |
|
||||
![]() |
![]() MHW8182 |
![]() Other |
![]() |
![]() Data Sheet |
![]() Negotiable |
|
||||
![]() |
![]() MHW8182A |
![]() Other |
![]() |
![]() Data Sheet |
![]() Negotiable |
|
||||
![]() |
![]() MHW8182B |
![]() Other |
![]() |
![]() Data Sheet |
![]() Negotiable |
|
||||
![]() |
![]() MHW8182CN |
![]() |
![]() IC CATV AMP MOD 860MHZ 220MA 7P |
![]() Data Sheet |
![]() Negotiable |
|
||||
![]() |
![]() MHW8185 |
![]() Other |
![]() |
![]() Data Sheet |
![]() Negotiable |
|
||||
(China (Mainland))









