Product Summary
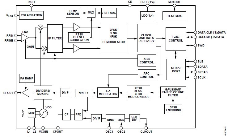
The ADF7021BC is a low power, highly integrated 2FSK/3FSK/4FSK transceiver. ADF7021BC is designed to operate in the narrow-band, license-free ISM bands and licensed bands in the 80 MHz to 650 MHz and 862 MHz to 940 MHz frequency ranges. It has both Gaussian and raised cosine data filtering options to improve spectral efficiency for narrow-band applications. ADF7021BC is suitable for circuit applications targeted at European ETSI-EN 300-220, the Japanese ARIB STD-T67, the Chinese Short Range Device regulations, and the North American FCC Part 15, Part 90, and Part 95 regulatory standards. A complete transceiver can be built using a small number of external discrete components, making the ADF7021BC very suitable for price-sensitive and area-sensitive applications.
Parametrics
ADF7021BC absolute maximum ratings: (1)VDD to GND: -0.3 V to +5 V; (2)Analog I/O Voltage to GND: -0.3 V to AVDD + 0.3 V; (3)Digital I/O Voltage to GND: -0.3 V to DVDD + 0.3 V; (4)Operating Temperature Range, Industrial (B Version): -40℃ to +85℃; (5)Storage Temperature Range: -65℃ to +125℃; (6)Maximum Junction Temperature: 150℃; (7)MLF θJA Thermal Impedance: 26℃/W; (8)Reflow Soldering, Peak Temperature: 260℃; (9)Time-at-Peak Temperature: 40 sec.
Features
ADF7021BC features: (1)Low power, low IF transceiver; (2)Frequency bands: 80 MHz to 650 MHz; (3)Modulation schemes: 2FSK, 3FSK, 4FSK; (4)Spectral shaping, Gaussian and raised-cosine filtering; (5)Data rates supported, 0.05 kbps to 25 kbps; (6)2.3 V to 3.6 V power supply; (7)Programmable output power: -16 dBm to +13 dBm in 63 steps; (8)Automatic PA ramp control; (9)Receiver sensitivity: -125 dBm at 1 kbps, 2 FSK; (10)On-chip VCO and fractional-N PLL; (11)On-chip 7-bit ADC and temperature sensor; (12)Fully automatic frequency control loop (AFC); (13)Digital RSSI; (14)Integrated Tx/Rx switch; (15)Leakage current <1 μA in power-down mode.
Diagrams

| Image | Part No | Mfg | Description | ![]() |
Pricing (USD) |
Quantity | ||||||||||||||||||
|---|---|---|---|---|---|---|---|---|---|---|---|---|---|---|---|---|---|---|---|---|---|---|---|---|
![]() |
![]() ADF7021BCPZ |
![]() |
![]() IC TXRX ISM HI PERFORM 48-LFCSP |
![]() Data Sheet |
![]()
|
|
||||||||||||||||||
![]() |
![]() ADF7021BCPZ-RL |
![]() |
![]() IC TXRX ISM HI PERFORM 48-LFCSP |
![]() Data Sheet |
![]()
|
|
||||||||||||||||||
![]() |
![]() ADF7021BCPZ-RL7 |
![]() |
![]() IC TXRX ISM HI PERFORM 48-LFCSP |
![]() Data Sheet |
![]()
|
|
||||||||||||||||||
(China (Mainland))









