Product Summary
The DF10 is a surface mount glass passivated bridge rectifier.
Parametrics
DF10 absolute maximum ratings: (1)Average Forward Rectified Current @ TA = 40℃, IO: 1.0 A; (2)Non-Repetitive Peak Forward Surge Current, 8.3 ms single half-sine-wave superimposed on rated load, IFSM: 50 A; (3)Forward Voltage (per element) @ IF = 1.0A, VFM: 1.1 V; (4)Peak Reverse Current at Rated @ TA = 25℃, IRM: 10μA; DC Blocking Voltage (per element) @ TA = 125℃, IRM: 500 μA; (5)I2t Rating for Fusing (t<8.3ms), I2t: 10.4 A2s; (6)Typical Total Capacitance (per element), CT: 25 pF; (7)Typical Thermal Resistance, Junction to Ambient, RθJA: 40℃/W; (8)Operating and Storage Temperature Rang, Tj, TSTG: -65 to +150℃.
Features
DF10 features: (1)Glass Passivated Die Construction; (2)Low Forward Voltage Drop, High Current Capability; (3)Surge Overload Rating to 50A Peak; (4)Designed for Surface Mount Application; (5)UL Listed Under Recognized Component Index, File Number E94661; (6)Lead Free Finish, RoHS Compliant (Date Code 0532+).
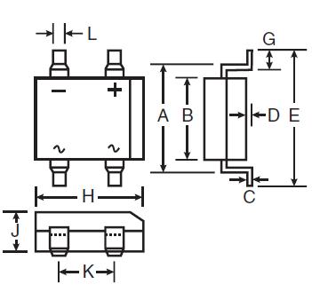
Diagrams

| Image | Part No | Mfg | Description | ![]() |
Pricing (USD) |
Quantity | ||||||||||||
|---|---|---|---|---|---|---|---|---|---|---|---|---|---|---|---|---|---|---|
![]() |
![]() DF1000R17IE4 |
![]() Infineon Technologies |
![]() IGBT Modules IGBT MODULES 1700V 1000A |
![]() Data Sheet |
![]()
|
|
||||||||||||
![]() |
![]() DF10-22S-2DSA(62) |
![]() Hirose Connector |
![]() Board to Board / Mezzanine Connectors BRD 2 BRD CONN 22PIN THRU HOLE |
![]() Data Sheet |
![]()
|
|
||||||||||||
![]() |
![]() DF10-G |
![]() Comchip Technology |
![]() Bridge Rectifiers DF GPP 1A 1000V Rect. Bridge Diode |
![]() Data Sheet |
![]()
|
|
||||||||||||
![]() |
![]() DF10L60-7102 |
![]() Shindengen |
![]() Rectifiers VRM=600 IFSM=100 |
![]() Data Sheet |
![]()
|
|
||||||||||||
![]() |
![]() DF10LC20U-7100 |
![]() Shindengen |
![]() Rectifiers VRM=200 IFSM=80 |
![]() Data Sheet |
![]()
|
|
||||||||||||
![]() |
![]() DF10LC20U-7000 |
![]() Shindengen |
![]() Rectifiers VRM=200 IFSM=80 |
![]() Data Sheet |
![]()
|
|
||||||||||||
![]() |
![]() DF10L60-7000 |
![]() Shindengen |
![]() Rectifiers VRM=600 IFSM=100 |
![]() Data Sheet |
![]()
|
|
||||||||||||
![]() |
![]() DF10LC30 |
![]() Shindengen |
![]() Rectifiers Low Loss Diode |
![]() Data Sheet |
![]() Negotiable |
|
||||||||||||
(China (Mainland))










