Product Summary
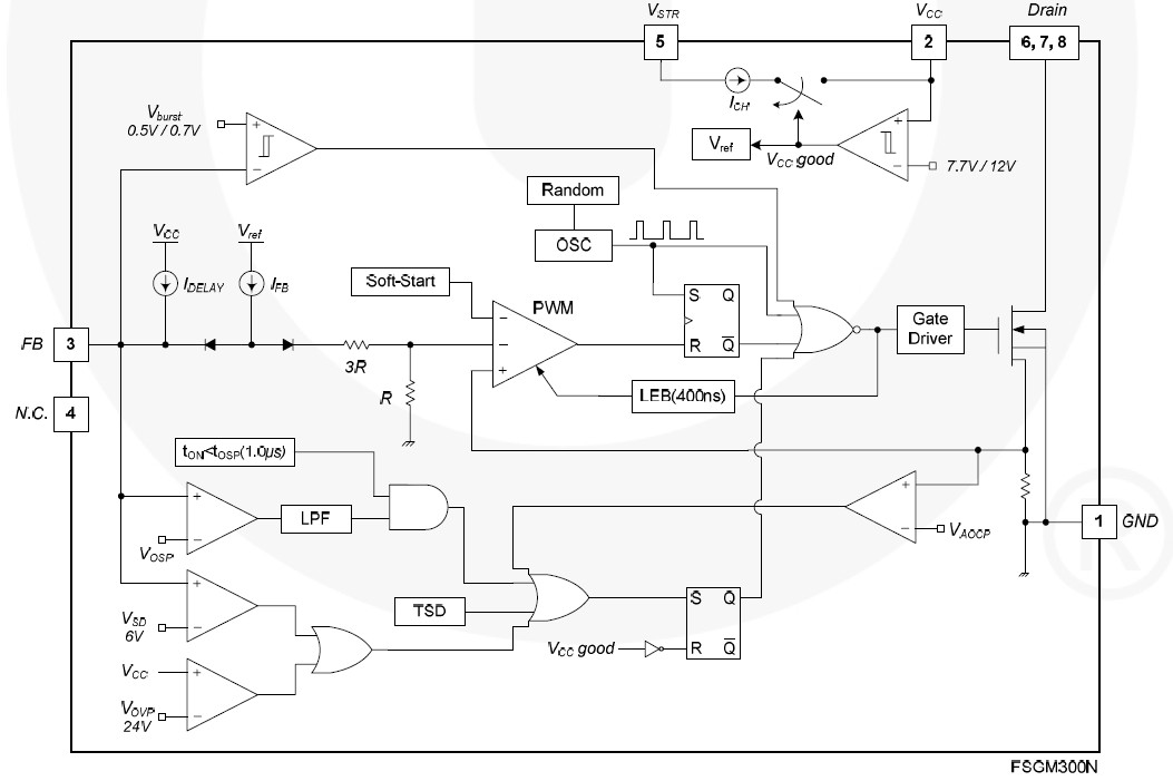
The FSGM300N is an integrated Pulse Width Modulation (PWM) controller and SenseFET specifically designed for offline Switch-Mode Power Supplies (SMPS) with minimal external components. The FSGM300N includes an integrated fixed-frequency oscillator, Under-Voltage Lockout (UVLO), Leading-Edge Blanking (LEB), optimized gate driver, internal soft-start, temperature-compensated precise current sources for loop compensation, and self-protection circuitry. The FSGM300N is used in Power Supply for LCD Monitor, STB and DVD Combination.
Parametrics
FSGM300N absolute maximum ratings: (1)VSTR VSTR Pin Voltage: 650 V; (2)VDS Drain Pin Voltage: 650 V; (3)VCC VCC Pin Voltage: 26 V; (4)VFB Feedback Pin Voltage: -0.3 to 8.0 V; (5)IDM Drain Current Pulsed: 4 A; (6)IDS Continuous Switching Drain Current 1.90 A at TC=25℃, 1.27A at TC=100℃; (7)EAS Single Pulsed Avalanche Energy: 190 mJ; (8)PD Total Power Dissipation (TC=25℃): 1.5 W; (9)TJ Maximum Junction Temperature 150 ℃; Operating Junction Temperature: -40 to +125 ℃; (10)TSTG Storage Temperature: -55 to +150 ℃.
Features
FSGM300N features: (1)Advanced Burst-Mode Operation for Low Standby Power; (2)Random Frequency Fluctuation for Low EMI; (3)Pulse-by-Pulse Current Limit; (4)Various Protection Functions: Overload Protection(OLP), Over-Voltage Protection (OVP), Abnormal Over-Current Protection (AOCP), Internal Thermal Shutdown (TSD) with Hysteresis, Output-Short Protection (OSP), and Under-Voltage Lockout(UVLO) with Hysteresis; (5)Auto-Restart Mode; (6)Internal Startup Circuit; (7)Internal High-Voltage SenseFET: 650V; (8)Built-in Soft-Start: 15ms.
Diagrams

| Image | Part No | Mfg | Description | ![]() |
Pricing (USD) |
Quantity | ||||||||||||
|---|---|---|---|---|---|---|---|---|---|---|---|---|---|---|---|---|---|---|
![]() |
![]() FSGM300N |
![]() Fairchild Semiconductor |
![]() Current Mode PWM Controllers 30W 650V Power Switch |
![]() Data Sheet |
![]()
|
|
||||||||||||
| Image | Part No | Mfg | Description | ![]() |
Pricing (USD) |
Quantity | ||||||||||||
![]() |
![]() FSGM0465RBLDTU |
![]() Fairchild Semiconductor |
![]() Power Switch ICs - Power Distribution SMPS Power Switch 4A, 650V |
![]() Data Sheet |
![]() Negotiable |
|
||||||||||||
![]() |
![]() FSGM0465RBUDTU |
![]() Fairchild Semiconductor |
![]() Power Switch ICs - Power Distribution SMPS Power Switch 4A, 650V |
![]() Data Sheet |
![]() Negotiable |
|
||||||||||||
![]() |
![]() FSGM0465RBWDTU |
![]() Fairchild Semiconductor |
![]() Power Switch ICs - Power Distribution SMPS Power Switch 4A, 650V |
![]() Data Sheet |
![]() Negotiable |
|
||||||||||||
![]() |
![]() FSGM0465RLDTU |
![]() Fairchild Semiconductor |
![]() Power Switch ICs - Power Distribution SMPS Power Switch 4A, 650V |
![]() Data Sheet |
![]() Negotiable |
|
||||||||||||
![]() |
![]() FSGM0465RUDTU |
![]() Fairchild Semiconductor |
![]() Current Mode PWM Controllers FPS |
![]() Data Sheet |
![]()
|
|
||||||||||||
![]() |
![]() FSGM0465RWDTU |
![]() Fairchild Semiconductor |
![]() Current Mode PWM Controllers FPS |
![]() Data Sheet |
![]()
|
|
||||||||||||
(China (Mainland))









