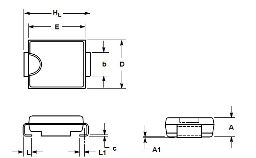
Product Summary
The MBRS340T3G is a Surface Mount Schottky Power Rectifier. This device employs the Schottky Barrier principle in a large area metal-to-silicon power diode. State-of-the-art geometry features epitaxial construction with oxide passivation and metal overlay contact. The MBRS340T3G is ideally suited for low voltage, high frequency rectification, or as free wheeling and polarity protection diodes, in surface mount applications where compact size and weight are critical to the system.
Parametrics
MBRS340T3G absolute maximum ratings: (1)Peak Repetitive Reverse Voltage, VRRM: 40V; (2)Working Peak Reverse Voltage, VRWM: 40V; (3)DC Blocking Voltage, VR: 40V; (4)Average Rectified Forward Current, IF(AV): 3.0A @ TL = 110℃; 4.0A @ TL = 105℃; (5)Nonrepetitive Peak Surge Current (Surge applied at rated load conditions halfwave, single phase, 60 Hz), IFSM: 80A; (6)Storage Temperature Range, Tstg: -65 to +150℃; (7)Operating Junction Temperature, TJ: -65 to +150℃.
Features
MBRS340T3G features: (1)Small Compact Surface Mountable Package with J-Bend Leads; (2)Rectangular Package for Automated Handling; (3)Highly Stable Oxide Passivated Junction; (4)Excellent Ability to Withstand Reverse Avalanche Energy Transients; (5)Guard-Ring for Stress Protection; (6)NRVBS Prefix for Automotive and Other Applications Requiring Unique Site and Control Change Requirements; AEC-Q101 Qualified and PPAP Capable; (7)These are Pb-Free Devices.
Diagrams

| Image | Part No | Mfg | Description | ![]() |
Pricing (USD) |
Quantity | ||||||||||||
|---|---|---|---|---|---|---|---|---|---|---|---|---|---|---|---|---|---|---|
![]() |
![]() MBRS340T3G |
![]() ON Semiconductor |
![]() Schottky (Diodes & Rectifiers) 3A 40V |
![]() Data Sheet |
![]()
|
|
||||||||||||
| Image | Part No | Mfg | Description | ![]() |
Pricing (USD) |
Quantity | ||||||||||||
![]() |
![]() MBRS10100 |
![]() Taiwan Semiconductor |
![]() Schottky (Diodes & Rectifiers) 10 Amp 100 Volt Single |
![]() Data Sheet |
![]()
|
|
||||||||||||
![]() |
![]() MBRS10100CT |
![]() Taiwan Semiconductor |
![]() Schottky (Diodes & Rectifiers) 10 Amp 100 Volt Dual |
![]() Data Sheet |
![]()
|
|
||||||||||||
![]() |
![]() MBRS1035 |
![]() Taiwan Semiconductor |
![]() Schottky (Diodes & Rectifiers) 10 Amp 35 Volt Single |
![]() Data Sheet |
![]()
|
|
||||||||||||
![]() |
![]() MBRS1035CT |
![]() Taiwan Semiconductor |
![]() Schottky (Diodes & Rectifiers) 10 Amp 35 Volt Dual |
![]() Data Sheet |
![]()
|
|
||||||||||||
![]() |
![]() MBRS1045 |
![]() Taiwan Semiconductor |
![]() Schottky (Diodes & Rectifiers) 10 Amp 45 Volt Single |
![]() Data Sheet |
![]()
|
|
||||||||||||
![]() |
![]() MBRS1045CT |
![]() Taiwan Semiconductor |
![]() Schottky (Diodes & Rectifiers) 10 Amp 45 Volt Dual |
![]() Data Sheet |
![]()
|
|
||||||||||||
(China (Mainland))










