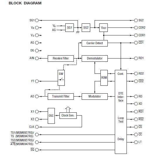
Product Summary
The MSM6947RS IS OKI’s 1200 bps single chip modem which transmits and receives serial, binary data over a switched telephone network using frequency shift keying(FSK). The MSM6947RS is compatible with ITU-T V.23 series data sets. This MSM6947RS provides all the necessary modulation, demodulation, and filtering required to implement a serial, asynchronous communication link.
Parametrics
MSM6947RS absolute maximum ratings: (1)Power Supply Current, Ordinary, IA: 7.5 to 15.0mA; (2)Power Supply Current, operation, ID: 1.0 to 2.0mA; (3)Input Leakage Currnet, VI=0V, IIL: –10 to 10μA; (4)Input Leakage Currnet, VI=VD, IIH: –10 to 10μA; (5)Input Voltage, VIL: 0 to 0.8V; (6)Input Voltage, VIH: 2.2 to VDV; (7)Output Voltage, IOL=1.6mA, VOL: 0 to 0.4; (8)Output Voltage, IOH = 400mA, VOH: 0.8XVDV.
Features
MSM6947RS features: (1)Compatible with BELL 202 (MSM6947); (2)CMOS silicon gate process; (3)Switched capacitor and advanced CMOS analog technology; (4)Data rate from 0 to 1200 bps; (5)Half duplex (2-Wire); (6)Receive squelch delay; (7)Selectable built-in timers and external delay timers possible; (8)All filtering, modulation, demodulation, and DTE interface on chip; (9)Crystal controlled oscillator on chip; (10)TTL compatible digital interface; (11)Low power dissipation: 90 mW Typ; (12)Package options: 28-pin plastic DIP.
Diagrams

![]() |
![]() MSM6012 |
![]() Elpac (ICCNexergy) |
![]() Linear and Switching Power Supplies 60W 12V 5A |
![]() Data Sheet |
![]() Negotiable |
|
||||
![]() |
![]() MSM6024 |
![]() Elpac (ICCNexergy) |
![]() Linear and Switching Power Supplies 60W 24V 2.5A |
![]() Data Sheet |
![]() Negotiable |
|
||||
![]() |
![]() MSM6051 |
![]() Other |
![]() |
![]() Data Sheet |
![]() Negotiable |
|
||||
![]() |
![]() MSM6052-70GS |
![]() Other |
![]() |
![]() Data Sheet |
![]() Negotiable |
|
||||
![]() |
![]() MSM60801 |
![]() Other |
![]() |
![]() Data Sheet |
![]() Negotiable |
|
||||
![]() |
![]() MSM60804 |
![]() Other |
![]() |
![]() Data Sheet |
![]() Negotiable |
|
||||
(China (Mainland))









