Product Summary
The SGH80N60UFD is a ultra-fast IGBT. Fairchild UF Insulated Gate Bipolar Transistor SGH80N60UFD provides low conduction and switching losses. The SGH80N60UFD is designed for applications such as motor control and general inverter where high speed switching is a required feature. The applications of the SGH80N60UF are: AC & DC motor controls,general purpose inverters, robotics, and servo controls.
Parametrics
SGH80N60UFD absolute maximum ratings: (1)VCES Collector-Emitter Voltage: 600 V; (2)VGES Gate-Emitter Voltage: ± 20 V; (3)IC Collector Current @ TC = 25℃: 80 A; (4)Collector Current @ TC = 100℃: 40 A; (5)ICM (1) Pulsed Collector Current: 220 A; (6)IF Diode Continuous Forward Current @ TC = 100℃: 25 A; (7)IFM Diode Maximum Forward Current: 280 A; (8)PD Maximum Power Dissipation @ TC = 25℃: 195 W; (9)Maximum Power Dissipation @ TC = 100℃: 78 W; (10)TJ Operating Junction Temperature: -55 to +150 ℃; (11)Tstg Storage Temperature Range: -55 to +150 ℃; (12)Maximum Lead Temp. for Soldering Purposes, 1/8" from Case for 5 Seconds: 300 ℃.
Features
SGH80N60UFD features: (1)High speed switching; (2)Low saturation voltage : VCE(sat) = 2.1 V @ IC = 40A; (3)High input impedance.
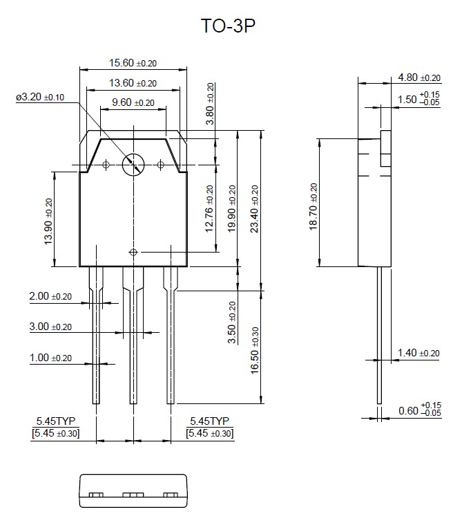
Diagrams

| Image | Part No | Mfg | Description | ![]() |
Pricing (USD) |
Quantity | ||||||||||||
|---|---|---|---|---|---|---|---|---|---|---|---|---|---|---|---|---|---|---|
![]() |
![]() SGH80N60UFD |
![]() Other |
![]() |
![]() Data Sheet |
![]() Negotiable |
|
||||||||||||
![]() |
![]() SGH80N60UFDTU |
![]() Fairchild Semiconductor |
![]() IGBT Transistors N-CH/100V/0.58/28A |
![]() Data Sheet |
![]()
|
|
||||||||||||
(China (Mainland))










