Product Summary
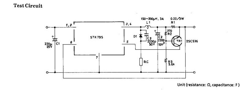
The STK795-820 is a chopper type voltage regulator. The stk795-820 provides a 5V output power supply circuit with high efficiency.
Parametrics
STK795-820 absolute maximum ratings: (1)maximum DC input voltage:40V; (2)maximum output current:3A; (3)operating case temperature:105℃; (4)junction temperature:150℃; (5)storage temperature:-30℃ to +105℃.
Features
STK795-820 features: (1)self-oscillation type chopper regulator power IC using sanyo’ original IMST substrate; (2)since the input voltage range is wide, no more than one rectifying/smoothing circuit is required to provide a multi-output power supply circuit which also delivers 12V or 24V output; (3)functional trimming is used to set 5V output with high accuracy; (4)cutoff function to cut off output voltage by external signal; (5)contains a transistor for overcurrent protector(foldback characteristic) and possible to set the protection level externally.
Diagrams

![]() |
![]() STK7000 |
![]() Other |
![]() |
![]() Data Sheet |
![]() Negotiable |
|
||||
![]() |
![]() STK7002 |
![]() Other |
![]() |
![]() Data Sheet |
![]() Negotiable |
|
||||
![]() |
![]() STK7002B |
![]() Other |
![]() |
![]() Data Sheet |
![]() Negotiable |
|
||||
![]() |
![]() STK7002U |
![]() Other |
![]() |
![]() Data Sheet |
![]() Negotiable |
|
||||
![]() |
![]() STK7006P |
![]() Other |
![]() |
![]() Data Sheet |
![]() Negotiable |
|
||||
![]() |
![]() STK730-010 |
![]() Other |
![]() |
![]() Data Sheet |
![]() Negotiable |
|
||||
(China (Mainland))








