Product Summary
The 6MBP20RTA060-01 is an IGBT - IPM .
Parametrics
6MBP20RTA060-01 absolute maximum ratings: (1)Bus Voltage (Between terminal P and N): DC 450V; Surge 500V; Short operating 200VMIN 400VMAX; (2)Collector-Emitter Voltage: 600V; (3)Collector Power Dissipation One transistor : 103W; (4)Supply Voltage of Pre-Driver: 20V; (5)Input Signal Voltage: Vin-0.5 to Vcc+0.5V; (6)Input Signal Current: Iin mA; (7)Alarm Signal Voltage: 0.5 V; (8)Alarm Signal Current: 20 mA; (9)Junction Temperature: 150 ℃; (10)Operating Case Temperature: -20 to 100℃; (11)Storage Temperature: -40 to 125 ℃; (12)Solder Temperature : 260℃.
Features
6MBP20RTA060-01 features: (1)Collector Current at off signal input: 1.0mA; (2)Coilector-Emitter: 2.2V; (3)saturation voltage: 1.75V; (4)Forward voltage : 2.6V; (5)Tum-on time: 1.2μs.
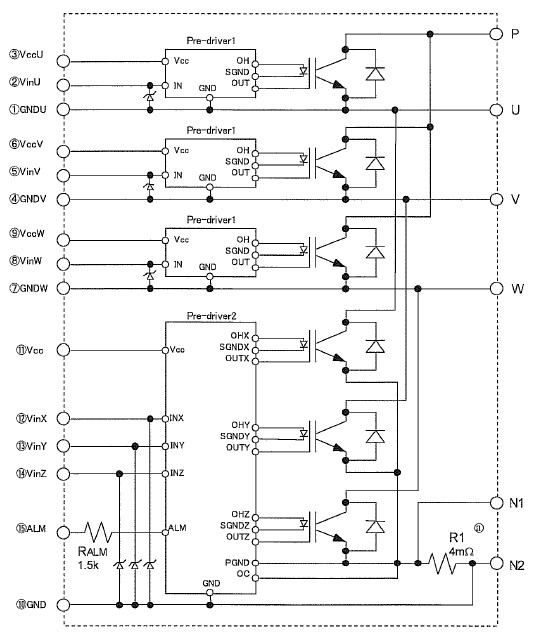
Diagrams

![]() |
![]() 6MBP 150RA-060 |
![]() Other |
![]() |
![]() Data Sheet |
![]() Negotiable |
|
||||
![]() |
![]() 6MBP 15RH-060 |
![]() Other |
![]() |
![]() Data Sheet |
![]() Negotiable |
|
||||
![]() |
![]() 6MBP 75RA-120 |
![]() Other |
![]() |
![]() Data Sheet |
![]() Negotiable |
|
||||
![]() |
![]() 6MBP100RTA-060 |
![]() Other |
![]() |
![]() Data Sheet |
![]() Negotiable |
|
||||
![]() |
![]() 6MBP100RTB060 |
![]() Other |
![]() |
![]() Data Sheet |
![]() Negotiable |
|
||||
![]() |
![]() 6MBP150RA120 |
![]() Other |
![]() |
![]() Data Sheet |
![]() Negotiable |
|
||||
(China (Mainland))








