Product Summary
The 7MBR35SD120-50 is a PIM/Built-in converter. The applications of the 7MBR35SD120-50 include Inverter for Motor Drive, AC and DC Servo Drive Amplifier, Uninterruptible Power Supply.
Parametrics
7MBR35SD120-50 absolute maximum ratings: (1)Collector-Emitter voltage, VCES: 1200V; (2)Gate-Emitter voltage, VGES: ±20V; (3)Collector current, IC: 50A; ICP: 100A; -IC: 35A; (4)Collector power disspation, PC: 240W.
Features
7MBR35SD120-50 features: (1)Low VCE(sat); (2)Compact Package; (3)P.C. Board Mount Module; (4)Converter Diode Bridge Dynamic Brake Circuit.
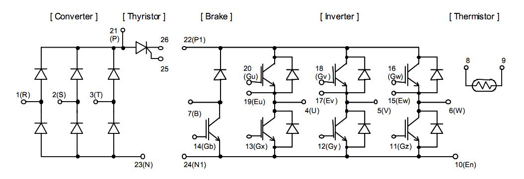
Diagrams

(China (Mainland))






