Product Summary
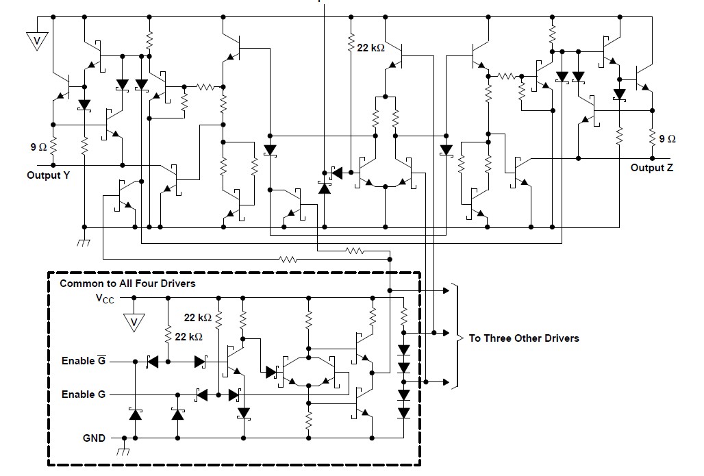
The AM26LS31MFKB is a quadruple complementary-output line driver designed to meet the requirements of ANSI TIA/EIA-422-B and ITU (formerly CCITT) Recommendation V.11. The 3-state outputs of the AM26LS31MFKB have high-current capability for driving balanced lines such as twisted-pair or parallel-wire transmission lines, and they are in the high-impedance state in the power-off condition. The enable function of the AM26LS31MFKB is common to all four drivers and offers the choice of an active-high or active-low enable (G, G) input. Low-power Schottky circuitry reduces power consumption without sacrificing speed.
Parametrics
AM26LS31MFKB absolute maximum ratings:(1)VCC Supply voltage: 7 V; (2)VI Input voltage: 7 V; (3)Output off-state voltage: 5.5 V; (4)Lead temperature 1,6 mm (1/16 in) from case for 10 s: 260 ℃; (5)Lead temperature 1,6 mm (1/16 in) from case for 60 s J package: 300 ℃; (6)Tstg Storage temperature range: –65 to 150 ℃.
Features
AM26LS31MFKB features: (1)Meets or Exceeds the Requirements of ANSI TIA/EIA-422-B and ITU; (2)Operates From a Single 5-V Supply; (3)TTL Compatible; (4)Complementary Outputs; (5)High Output Impedance in Power-Off Conditions; (6)Complementary Output-Enable Inputs.
Diagrams

|  |  AM26C31 |  Other |  |  Data Sheet |  Negotiable |  | ||||||||||||
|  |  AM26C31C |  Other |  |  Data Sheet |  Negotiable |  | ||||||||||||
|  |  AM26C31CD |  Texas Instruments |  RS-422 Interface IC Quad Diff |  Data Sheet |  
 |  | ||||||||||||
|  |  AM26C31CDBR |  Texas Instruments |  RS-422 Interface IC Quad Diff Line |  Data Sheet |  
 |  | ||||||||||||
|  |  AM26C31CDBRE4 |  Texas Instruments |  RS-422 Interface IC Quad Diff Line |  Data Sheet |  
 |  | ||||||||||||
|  |  AM26C31CDBRG4 |  Texas Instruments |  RS-422 Interface IC Quad Diff Line Drvr |  Data Sheet |  
 |  | ||||||||||||
 (China (Mainland))
 (China (Mainland)) 
                         
                        
 
                                    




