Product Summary
The AMS1117 is an 1A low dropout voltage regulator. The dropout voltage of the AMS1117 is guaranteed maximum 1.3V at maximum output current, decreasing at lower load currents. On-chip trimming adjusts the reference voltage to 1%. Current limit is also trimmed, minimizing the stress under overload conditions on both the regulator and power source circuitry. The AMS1117 devices are pin compatible with other three-terminal SCSI regulators and are offered in the low profile surface mount SOT-223 package, in the 8L SOIC package and in the TO-252 (DPAK) plastic package. Applications are (1)high efficiency linear regulators; (2)post regulators for switching supplies; (3)5V to 3.3V linear regulator; (4)battery chargers; (5)active SCSI Terminators; (6)power management for notebook; (7)battery powered instrumentation.
Parametrics
AMS1117 absolute maximum ratings: (1)Power Dissipation: Internally limited; (2)Input Voltage: 15V; (3)Soldering information Lead Temperature (25 sec)265°C; (4)Operating Junction Temperature Control Section: 0°C to 125°C, Power Transistor: 0°C to 150°C; (5)Storage temperature: - 65°C to +150°C; (6)Current Limit AMS1117-1.5/-1.8/-2.5/-2.85/-3.3/-5.0 (VIN - VOUT)= 5V: 900 to 1,500 mA; (7)Ripple Rejection AMS1117 f =120Hz , COUT = 22μF Tantalum, IOUT = 1A, (VIN-VOUT )= 3V, CADJ =10μF: 60 to 75 dB.
Features
AMS1117 features: (1)Three Terminal Adjustable or Fixed Voltages 1.5V, 1.8V, 2.5V, 2.85V, 3.3V and 5.0V; (2)Output Current of 1A; (3)Operates Down to 1V Dropout; (4)Line Regulation: 0.2% Max.; (5)Load Regulation: 0.4% Max.; (6)SOT-223, TO-252 and SO-8 package available.
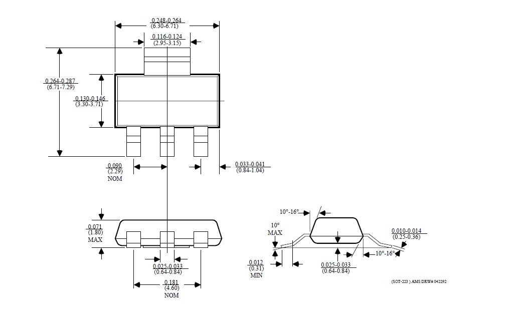
Diagrams

| Image | Part No | Mfg | Description | ![]() |
Pricing (USD) |
Quantity | ||||
|---|---|---|---|---|---|---|---|---|---|---|
![]() |
![]() AMS1117 |
![]() Other |
![]() |
![]() Data Sheet |
![]() Negotiable |
|
||||
![]() |
![]() AMS1117-1.8 |
![]() Other |
![]() |
![]() Data Sheet |
![]() Negotiable |
|
||||
![]() |
![]() AMS1117-2.5 |
![]() Other |
![]() |
![]() Data Sheet |
![]() Negotiable |
|
||||
![]() |
![]() AMS1117-3.3 |
![]() Other |
![]() |
![]() Data Sheet |
![]() Negotiable |
|
||||
![]() |
![]() AMS1117-5.0 |
![]() Other |
![]() |
![]() Data Sheet |
![]() Negotiable |
|
||||
![]() |
![]() AMS1117-ADJ |
![]() Other |
![]() |
![]() Data Sheet |
![]() Negotiable |
|
||||
(China (Mainland))









