Product Summary
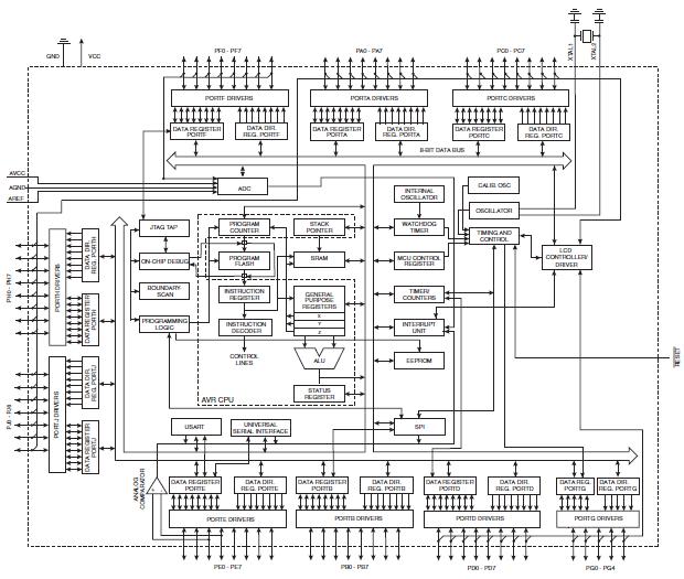
The ATMEGA3290V-8AU is a low-power CMOS 8-bit microcontroller based on the AVR enhanced RISC architecture. By executing powerful instructions in a single clock cycle, the ATMEGA3290V-8AU achieves throughputs approaching 1 MIPS per MHz allowing the system designer to optimize power consumption versus processing speed.
Parametrics
ATMEGA3290V-8AU absolute maximum ratings: (1)Operating Temperature: -55℃ to +125℃; (2)Storage Temperature: -65℃ to +150℃; (3)Voltage on any Pin except RESET; (4)with respect to Ground: -0.5V to VCC+0.5V; (5)Voltage on RESET with respect to Ground: -0.5V to +13.0V; (6)Maximum Operating Voltage: 6.0V; (7)DC Current per I/O Pin: 40.0 mA; (8)DC Current VCC and GND Pins: 200.0 mA.
Features
ATMEGA3290V-8AU features: (1)High Performance, Low Power AVR8-Bit Microcontroller; (2)Advanced RISC Architecture; (3)Non-volatile Program and Data Memories; (4)JTAG (IEEE std. 1149.1 compliant) Interface, Boundary-scan Capabilities According to the JTAG Standard; Extensive On-chip Debug Support; Programming of Flash, EEPROM, Fuses, and Lock Bits through the JTAG Interface; (5)4 x 25 Segment LCD Driver (ATmega329/ATmega649); (6)4 x 40 Segment LCD Driver (ATmega3290/ATmega6490); (7)Two 8-bit Timer/Counters with Separate Prescaler and Compare Mode; (8)One 16-bit Timer/Counter with Separate Prescaler, Compare Mode, and Capture Mode; (9)Real Time Counter with Separate Oscillator; (10)Four PWM Channels; (11)8-channel, 10-bit ADC; (12)Programmable Serial USART; (13)Master/Slave SPI Serial Interface; (14)Universal Serial Interface with Start Condition Detector; (15)Programmable Watchdog Timer with Separate On-chip Oscillator; (16)On-chip Analog Comparator; (17)Interrupt and Wake-up on Pin Change; (18)Special Microcontroller Features; (19)Power-on Reset and Programmable Brown-out Detection; (20)Internal Calibrated Oscillator; (21)External and Internal Interrupt Sources; (22)Five Sleep Modes: Idle, ADC Noise Reduction, Power-save, Power-down, and Standby ; (23)I/O and Packages, 53/68 Programmable I/O Lines; 64-lead TQFP, 64-pad QFN/MLF, and 100-lead TQFP; (24)Speed Grade: 0-4 MHz @ 1.8-5.5V, 0-8 MHz @ 2.7-5.5V; (25)Temperature range: -40℃ to 85℃ Industrial.
Diagrams

| Image | Part No | Mfg | Description | ![]() |
Pricing (USD) |
Quantity | ||||||||
|---|---|---|---|---|---|---|---|---|---|---|---|---|---|---|
![]() |
![]() ATmega3290V-8AU |
![]() Atmel |
![]() 8-bit Microcontrollers (MCU) AVR 16K FLASH 1K EE 2K SRAM LCD ADC |
![]() Data Sheet |
![]()
|
|
||||||||
![]() |
![]() ATMEGA3290V-8AUR |
![]() Atmel |
![]() 8-bit Microcontrollers (MCU) AVR 32KB FLSH 1KB EE 2KB SRAM-8MHZ 1.8V |
![]() Data Sheet |
![]()
|
|
||||||||
(China (Mainland))










