Product Summary
The L78L05 of three-terminal positive regulator employ internal current limiting and thermal shutdown, making them essentially indestructible. If adequate heat-sink is provided, they can deliver up to 100 mA output current.c The L78L05 is intended as fixed voltage regulator in a wide range of applications including local or oncard regulation for elimination of noise and distribution problems associated with single-point regulation. In addition, the L78L05 can be used with power pass elements to make high-current voltage regulators. The L78L05 used as Zener diode/resistor combination replacement, offers an effective output impedance improvement.
Parametrics
L78L05 absolute maximum ratings: (1)Output voltage, TJ = 25 ℃, VO: 3.036 to 3.564V; (2)Output voltage, IO = 1 to 40mA, VI=5.3 to 20V, VO: 2.97 to 3.63V; (3)Output voltage, IO = 1 to 70mA, VI=8.3V, VO: 2.97 to 3.63V; (4)Line regulation, VI = 5.3 to 20V, TJ = 25℃, ΔVO: 150mV; (5)Line regulation, VI = 6.3 to 20V, TJ = 25℃, ΔVO: 100mV; (6)Load regulation, IO = 1 to 100 mA, TJ = 25℃, ΔVO: 60mV; (7)Load regulation, IO = 1 to 40 mA, TJ = 25℃, ΔVO: 30mV; (8)Quiescent current, TJ = 25℃, Id: 6mA; (9)Quiescent current, TJ = 125℃, Id: 5.5mA; (10)Quiescent current change, IO=1 to 40mA, ΔId: 0.2mA; (11)Quiescent current change, VI=6.3 to 20V, ΔId: 1.5mA.
Features
L78L05 features: (1)Output current up to 100 mA; (2)Output voltages of 5V; (3)Thermal overload protection; (4)Short circuit protection; (5)No external components are required; (6)Available in either ± 4 % (AC) or ± 8 % (C)selection.
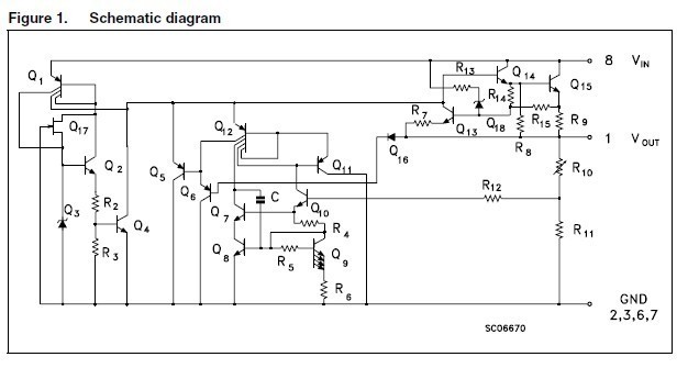
Diagrams

| Image | Part No | Mfg | Description | ![]() |
Pricing (USD) |
Quantity | ||||||||||||
|---|---|---|---|---|---|---|---|---|---|---|---|---|---|---|---|---|---|---|
![]() |
![]() L78L05 |
![]() Other |
![]() |
![]() Data Sheet |
![]() Negotiable |
|
||||||||||||
![]() |
![]() L78L05ABD |
![]() STMicroelectronics |
![]() Linear Regulators - Standard 5.0V 0.1A Positive |
![]() Data Sheet |
![]() Negotiable |
|
||||||||||||
![]() |
![]() L78L05ABD13TR |
![]() STMicroelectronics |
![]() Linear Regulators - Standard 5.0V 0.1A Positive |
![]() Data Sheet |
![]()
|
|
||||||||||||
![]() |
![]() L78L05ABUTR |
![]() STMicroelectronics |
![]() Linear Regulators - Standard 5.0V 0.1A Positive |
![]() Data Sheet |
![]()
|
|
||||||||||||
![]() |
![]() L78L05ABZ |
![]() STMicroelectronics |
![]() Linear Regulators - Standard 5.0V 0.1A Positive |
![]() Data Sheet |
![]()
|
|
||||||||||||
![]() |
![]() L78L05ABZ-AP |
![]() STMicroelectronics |
![]() Linear Regulators - Standard 5.0V 0.1A Positive |
![]() Data Sheet |
![]()
|
|
||||||||||||
![]() |
![]() L78L05ABZ-TR |
![]() STMicroelectronics |
![]() Linear Regulators - Standard 5.0V 0.1A Positive |
![]() Data Sheet |
![]()
|
|
||||||||||||
![]() |
![]() L78L05AC |
![]() Other |
![]() |
![]() Data Sheet |
![]() Negotiable |
|
||||||||||||
(China (Mainland))










