Product Summary
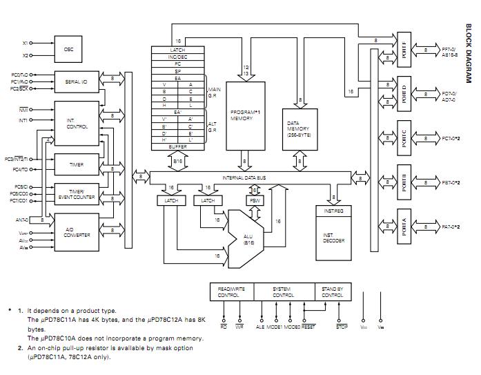
The UPD78C10AGF is a CMOS 8-bit microprocessor which can integrate 16-bit ALU, ROM, RAM, an A/D converter, a multi-function timer/event counter, and a general-purpose serial interface into a single chip, then expand the memory (ROM/RAM) up to 60K bytes externally. The UPD78C10AGF is ideal for evaluation or preproduction use during system development, early start-up and short-run multiple-device production of application sets, are available.
Parametrics
UPD78C10AGF absolute maximum ratings: (1)Power supply voltage, VDD: –0.5 to +7.0 V; AVDD: AVSS to VDD +0.5 V; AVSS: –0.5 to +0.5 V; (2)Input voltage, VI: –0.5 to VDD +0.5 V; (3)Output voltage, VO: –0.5 to VDD +0.5 V; (4)Output current low, IOL: All output pins: 4.0 mA; Total of all output pins: 100 mA; (5)Output current high, IOH: All output pins: –2.0 mA; Total of all output pins: –50 mA; (6)A/D converter reference input voltage, VAREF: -0.5 to AVDD+0.3V; (7)Operating ambient temperature, TA: –40 to +85℃; (8)Storage temperature, Tstg: –65 to +150℃.
Features
UPD78C10AGF features: (1)Abundant 159 types of instructions: 87AD series instruction set, multiplication/division instructions, 16-bit operation instructions; (2)Instruction cycle: 0.8 μs (at 15 MHz operation); (3)On-chip ROM: 4096W × 8 (μPD78C11A), 8192W × 8 (μPD78C12A) Non (μPD78C10A); (4)On-chip RAM: 256W × 8; (5)High-precision 8-bit A/D converter: 8 analog inputs; (6)General-purpose serial interface: Asynchronous, synchronous, I/O interface mode; (7)Multi-function 16-bit timer/event counter; (8)Two 8-bit timers; (9)I/O lines: 32 (μPD78C10A), 44 (μPD78C11A, 78C12A); (10)Interrupt function (external - 3, internal - 8): Non-maskable interrupt × 1, maskable interrupt × 10; (11)Standby function: HALT mode, hardware/software STOP mode; (12)Zero-cross detection function: (2 inputs); (13)On-chip pull-up resistor (port A, B, C: μPD78C11A, 78C12A only) by mask option.
Diagrams

![]() |
![]() UPD70008AG-4 |
![]() Other |
![]() |
![]() Data Sheet |
![]() Negotiable |
|
||||
![]() |
![]() UPD70236AGD-10-5BB |
![]() Other |
![]() |
![]() Data Sheet |
![]() Negotiable |
|
||||
![]() |
![]() UPD7030025AGC-25 |
![]() Other |
![]() |
![]() Data Sheet |
![]() Negotiable |
|
||||
![]() |
![]() UPD703014A |
![]() Other |
![]() |
![]() Data Sheet |
![]() Negotiable |
|
||||
![]() |
![]() UPD703014AY |
![]() Other |
![]() |
![]() Data Sheet |
![]() Negotiable |
|
||||
![]() |
![]() UPD703015A |
![]() Other |
![]() |
![]() Data Sheet |
![]() Negotiable |
|
||||
(China (Mainland))








