Product Summary
The 2SC1946A-01 is a silicon NPN epitaxial planar type transistor designed for RF power amplifiers on VHF band mobile radio applications. The applications of the device include 25 watts output power amplifiers in VHF band mobile radio applications.
Parametrics
2SC1946A-01 absolute maximum ratings: (1)VCBO, collector: 35V; (2)VEBO, emitter to base voltage: 4V; (3)VCEO, collector to emitter voltage: 17V; (4)IC, collector current: 7A; (5)PC, collector dissipation: 3W when Ta=25℃; 50W when Tc=25℃; (6)Tj, junction temeprature: 175℃; (7)Tstg, storage temperature: -55 to 175℃.
Features
2SC1946A-01 features: (1)high power gain: Gpe≥10dB @ VCC=13.5V, Po=30W, f=175MHz; (2)emitter ballasted construction and gold metallization for high reliability and good performances; (3)low thermal resistance ceramic package with flange; (4)ability of withstanding more than 20:1 load VSWR when operated at VCC=15.2V, Po=30W, f=175MHz; (5)equivalent input/output impedance at rated operating conditions: Zin=0.65+j1.4Ω; Zout=1.9+j0.75Ω.
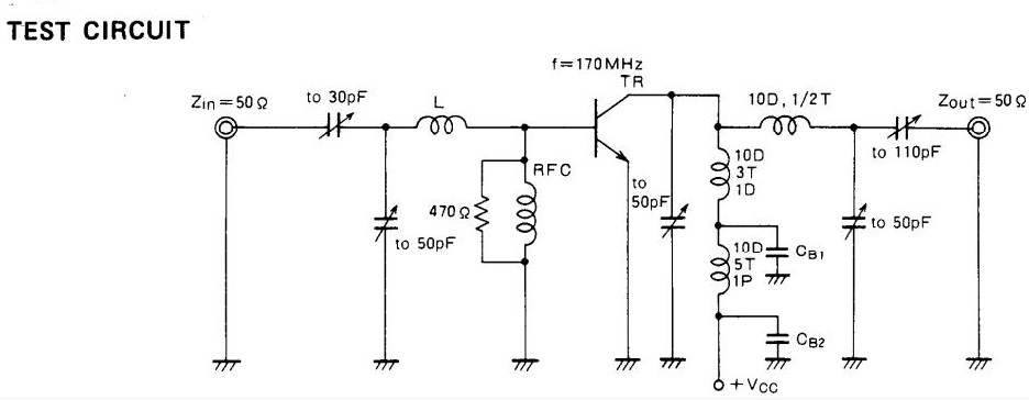
Diagrams

(China (Mainland))






